★★★★★浅析典型UPS基本原理★★★★★
- 2017-07-05 18:29:00
- Amber 转贴
- 3049
1.UPS系统基本组成
传统工频UPS系统一般UPS主要包括由整流模块(REC)和逆变模块(INV)、旁路静态开关和逆变静态开关、输出隔离变压器、蓄电池组以及输入输出配电开关等组成,开关是主路输入空开、旁路输入空开、维修旁路空开、输出空开以及蓄电池开关等。系统组成如图1-1所示,其中,空气断路器Q1控制主路交流电源输入,整流模块将交流电源变成直流电源,逆变模块进行DC/AC变换,将整流模块和蓄电池提供的直流电源变换成交流电源,经过隔离变压器输出。蓄电池组在交流停电时通过逆变向负载供电。输入电源也可以通过旁路静态开关从旁路回路向负载供电,另外对负载供电不间断而对UPS内部进行维修时,可使用维修旁路开关Q3。

2. Buck-Boost电路介绍

工作过程:
1. 当功率管导通时,等效如图a,二极管D截止,电感L储能,感应电压为上正下负,电容用自己储能向负载放电。
2. 当功率管截止时,等效如图b,二极管D导通,电感中电流不能反向,电感两端产生自感电动势为下正上负。电感储能向电容充电和向负载放电。
3. 控制电路根据输出电压和电流的变化,控制功率管的导通和关断时间,就可以控制输出电压的大小。
2.2 UPS中典型PFC主功率模块图
APFC技术的核心是引进电压和电流反馈,以构成一个双闭环控制系统,外环稳定输出电压,内环实现输入电流调控和整形,使之成为与电压同相位的标准正弦波,以提高入端功率因数,例图说明其主要功能:市电供电时作整流升压电路,并进行输入功率因数校正;电池供电时作DC/DC升压,PFC模块电路工作原理图如:

工作原理:主电路采用PFC主电路结构,同时兼作电池供电时的DC/DC升压主电路。正负半周分别控制。控制电路由硬件构成,一般采用PFC专用芯片UC3854AN。
市电输入正半周时,上部分正半周PFC电路工作;市电输入负半周时,下部分负半周PFC电路工作,在UC3854AN芯片内部电流环的调节下,输入电流跟踪输入电压呈正弦波形,且与输入电压同相; 在UC3854AN芯片内部电压环的调节下,使输出电压稳定电压。
电池输入时,正半周PFC电路工作在直流BOOST电路状态;负半周电路工作在BUCK/BOOST电路状态。使输出电压仍稳定电压不变。
3.整流器基本原理
3.1三相全桥整流
对于中大功率UPS,早期一般采用晶闸管整流电路完成整流,该变换器由于输入电流不连续,功率因数较低,需要输入侧加LC二阶滤波器以滤除电流谐波,这就增加了变换器的体积及成本,另一种形式采用IGBT及功率二极管组成Vienna整流器拓扑结构来确保输入的高功率因数。SCR整流电路一般有6脉冲和12脉冲整流。如图3-6为SCR整流原理示意图及采用三相SCR全桥整流电路6脉冲整流器图,SCR触发脉冲顺序:1-2-3-4-5-6-1。

图3-1 6脉冲SCR全桥整流原理图
12脉冲整流器采用了两个6脉冲整流器,其中一个6脉冲整流器的输入经过了一个30度移相的移相变压器。如图3-2所示,图中“负载”所指为“电池及逆变器”。

4. 逆变器基本原理
4.1 SPWM波
UPS逆变输出功率管的控制方式一般采用SPWM(正弦波脉冲宽度调制)方式;它用调整脉冲宽度和控制占空比的方法来达到输出电压稳定。如图4-1为SPWM波产生过程。

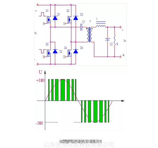
4.2 全桥逆变
原理工作过程,逆变电路在SPWM信号的控制下两主功率管互补导通,这样在桥臂中点得到如图4-2所示宽度变化、幅值相同的正负极性方波。此波经LC滤波器滤除高次谐波后即可输出正弦波,全桥逆变电路如下图所示:

5.静态开关
UPS的旁路和逆变输出支路分别接有静态开关。静态开关是有两个正反向并接的晶闸管组成,如图5-1所示,它使负载既可以连接到逆变器的输出又可以连接旁路电源上。在正常情况下,负载由逆变器供电,此时逆变器侧的静态开关闭合;但出现过载或逆变器故障时,静态旁路开关自动将负载切换到旁路电源。

6. UPS系统常见工作模式介绍
6.1 正常工作模式
在主路市电正常时,UPS一方面通过整流器、逆变器给负载提供高品质交流电源;另一方面通过整流器为电池充电,将能量储存在电池中。 AC输入经过整流器由AC变换成DC电压,再经逆变器由DC变换成AC输出,经由两级变换以后,能得到精度和质量都较好的输出电压,可以防止输入谐波、毛刺、电压瞬变等干扰影响负载;同时整流后的母线通过充电器为电池充电原理框图见图6-1。

6.2 电池工作模式
当UPS正常工作,整流器AC输入电压发生异常时,UPS系统自动无间断地切换到电池工作模式,由电池通过逆变器输出交流电向负载供电。市电恢复后系统自动无间断地恢复到正常工作模式。原理框图见图6-2。

6.3 旁路工作模式
当UPS侦测到模块过温,过载或者其他会关闭逆变器等的故障,系统自动无间断切换到静态旁路电源向负载供电。旁路电源会直接给负载提供能量,电流回路如下图中粗线所示。旁路模式下负载供电质量不受UPS保护,容易受到停电、AC电压波形/频率异常等状况影响
当用户关机、或主路市电异常且电池储能耗尽、或发生严重故障等情况下、逆变器关闭,系统会切换并停留在旁路工作模式。此后若需恢复到正常工作模式,则需要用户重新开机。原理框图见图6-3。

6.4 维修工作模式
对UPS系统及电池进行全面检修或设备故障维修时,可以通过闭合维护开关Q3BP,将负载转向维修旁路直接供电,以实现对负载不停电维护。维修时需要断开UPS内部的主路输入开关Q1、旁路输入开关Q2和电池输入开关QF1以及输出开关Q5,实现UPS内部不带电而对负载仍然维持供电的维修工作模式。原理框图见图6-4。
